| dv, мм | 0,8 | 1,0 | 1,2 | 1,4 | 2,0 | 2,5 | 3,0 | 5,0 | 6,0 | 8,0 | 10,0 | 14,0 |
| s, мм | 0,7 | 0,9 | 1,3 | 1,5 | 2 | 2,5 | 3 | 4 | 5 | 6 | 8 | 10 |
| шаг резьбы | 0,35 | 0,40 | 0,45 | 0,50 | 0,70 | 0,80 | 1,00 | 1,25 | 1,50 | 1,75 | 2,00 | 2,50 |
| l/d, мм | М1,6 | М2 | М2,5 | М3 | М4 | М5 | М6 | М8 | М10 | М12 | М16 | М20 |
| 2 | М1,6×2 | М2×2 | ||||||||||
| 3 | М1,6×3 | М2×3 | М2,5×3 | М3×3 | М4×3 | |||||||
| 4 | М1,6×4 | М2×4 | М2,5×4 | М3×4 | М4×4 | М5×4 | ||||||
| 5 | М1,6×5 | М2×5 | М2,5×5 | М3×5 | М4×5 | М5×5 | М6×5 | |||||
| 6 | М1,6×6 | М2×6 | М2,5×6 | М3×6 | М4×6 | М5×6 | М6×6 | М8×6 | ||||
| 8 | М1,6×8 | М2×8 | М2,5×8 | М3×8 | М4×8 | М5×8 | М6×8 | М8×8 | ||||
| 10 | М2×10 | М2,5×10 | М3×10 | М4×10 | М5×10 | М6×10 | М8×10 | М10×10 | М12×10 | |||
| 12 | М2×12 | М2,5×12 | М3×12 | М4×12 | М5×12 | М6×12 | М8×12 | М10×12 | М12×12 | |||
| 16 | М2×16 | М2,5×16 | М3×16 | М4×16 | М5×16 | М6×16 | М8×16 | М10×16 | М12×16 | М16×16 | ||
| 20 | М3×20 | М4×20 | М5×20 | М6×20 | М8×20 | М10×20 | М12×20 | М16×20 | М20×20 | |||
| 25 | М3×25 | М4×25 | М5×25 | М6×25 | М8×25 | М10×25 | М12×25 | М16×25 | М20×25 | |||
| 30 | М3×30 | М4×30 | М5×30 | М6×30 | М8×30 | М10×30 | М12×30 | М16×30 | М20×30 | |||
| 35 | М4×35 | М5×35 | М6×35 | М8×35 | М10×35 | М12×35 | М16×35 | М20×35 | ||||
| 40 | М4×40 | М5×40 | М6×40 | М8×40 | М10×40 | М12×40 | М16×40 | М20×40 | ||||
| 45 | М6×45 | М8×45 | М10×45 | М12×45 | М16×45 | М20×45 | ||||||
| 50 | М6×50 | М8×50 | М10×50 | М12×50 | М16×50 | М20×50 | ||||||
| 55 | М6×55 | М8×55 | М10×55 | М12×55 | М16×55 | М20×55 | ||||||
| 60 | М6×60 | М8×60 | М10×60 | М12×60 | М16×60 | М20×60 | ||||||
| 70 | М8×70 | М10×70 | М12×70 | М16×70 | М20×70 | |||||||
| 80 | М8×80 | М10×80 | М12×80 | М16×80 | М20×80 | |||||||
| 90 | М12×90 | М16×90 | М20×90 | |||||||||
| 100 | М16×100 | М20×100 |
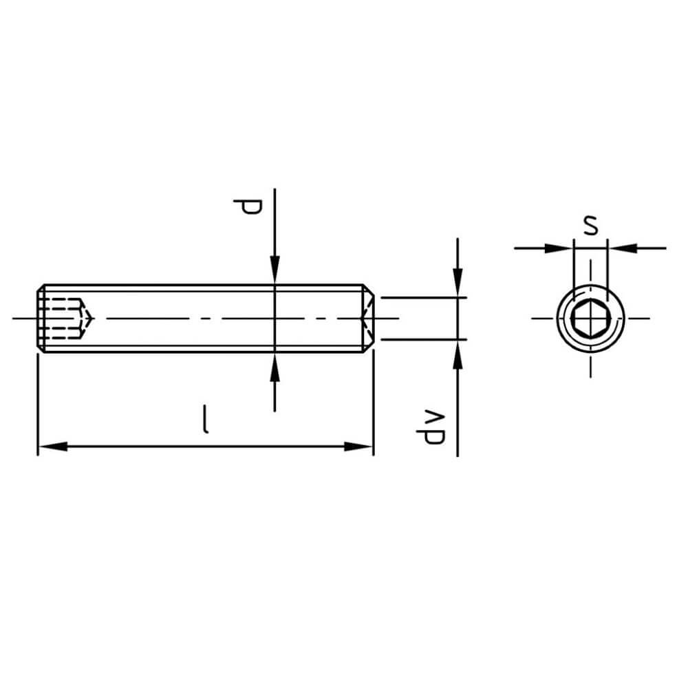
- Наименование по стандарту: Винт установочный с цилиндрической головкой.
- Стандарт: DIN 916.
- Аналоги: ISO 4029, ГОСТ 28964-91.
- Материал: нержавеющая сталь A2 (A4 – под заказ).
- Форма головки: без головки, шестигранный торец.
- Тип резьбы: полная.
- Шлиц: внутренний шестигранник (HEX).
- Назначение: фиксация деталей без выступающей головки.
- Область применения: машиностроение, станки, оборудование, металлические конструкции.
- Конструктивные особенности: цилиндрическое тело с внутренним HEX, точная центровка, стабильное положение в отверстии, устойчивость к осевым нагрузкам.
Винт DIN 916 используется для точного позиционирования деталей в станках, металлических рамах и корпусах оборудования. Отсутствие головки позволяет экономить место и создавать аккуратные соединения.
Винт совместим с гайками, шайбами и установочными заклёпками для точной фиксации. HEX-шлиц облегчает монтаж ключом и снижает риск срыва грани.
Сталь A2 устойчива к влаге, подходит для эксплуатации в помещении и на улице. Рекомендуется контролировать усилие затяжки, чтобы сохранить геометрию шестигранника.
Применяется для фиксации направляющих, втулок и осей, где важна точность и отсутствие выступающих элементов.
Доставка
Доставка по Минску
Бесплатно при заказе от 150 рублей.
Срок: 12–48 часов с момента оплаты.
Доставка по Беларуси
Бесплатно при заказе от 250 рублей.
Срок: 24–72 часа с момента оплаты.
Оплата
Работаем с физическими и юридическими лицами.
Способы оплаты:
- Безналичный расчет (оплата по счету для юр. лиц)
- Наличными или банковской картой
- Онлайн-оплата банковской картой
- Оплата через сервис «Оплати»
Реквизиты для оплаты:
ООО «Ивалис Креп»
УНП: 192626813
Юридический адрес: 220116, г. Минск, пр-т Дзержинского, д. 69, корп. 2, оф. 116, комн. 1
Телефон: 251-66-64
Расчетный счет: BY96BLBB30120192626813001001
ОАО «Белинвестбанк»
ЦБУ №527, г. Минск, ул. Карла Маркса, 33-4Н
БИК: BLBBBY2X
Директор: Кучинский Дмитрий Викторович
(действует на основании Устава)






